ЧАО «Кераммаш»
ЧАО «Институт керамического машиностроения «Кераммаш», Украина, Славянск, факс: +380 (626) 667338

Отчеты о применении продукции ЧАО «Кераммаш»

Модернизация газовой нагревательной печи №8 с выкатным подом кузнечно-прессового цеха
ООО «МЕТИНВЕСТ-МРМЗ»
газовая печь ведена в эксплуатацию в ноябре 2018 года на ООО «МЕТИНВЕСТ-МРМЗ», Украина. Печь с размером камеры 3400 х 6000 х 2400 мм, предназначена для нагрева металлических изделий весом до 40 тонн с максимальной рабочей температурой до 1300 °С.
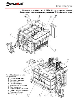
Модернизация камерной газовой термической печи №4 с выкатным подом ТОУ СФЛЦ
ООО «МЕТИНВЕСТ-КРМЗ»
газовая печь ведена в эксплуатацию в ноябре 2018 года на ООО «МЕТИНВЕСТ-КРМЗ», Украина. Печь с размером камеры 8000 х 9000 х 3700 мм, предназначена для термообработки металлических изделий весом до 72 тонн с максимальной рабочей температурой до 1000 °С.
Модернизация газовой термической печи №14 с выкатным подом кузнечно-прессового цеха
ПАО «Днепроспецсталь»
Печь с рабочим размером камеры 2500 х 6000 х 2000 мм, предназначена для нагрева металлических изделий из нержавеющей стали весом до 55 тонн с максимальной рабочей температурой до 1300°С. Печи вновь введена в эксплуатацию в августе 2016 года на ПАО «Днепро-спецсталь».
Модернизация газовой термической печи №11 с выкатным подом сталеплавильного цеха
ПАО «Днепроспецсталь»
Печь с рабочим размером камеры 3500 х 11500 х 2800 мм, предназначена для нагрева металлических изделий из нержавеющей стали весом до 105 тонн с максимальной рабочей температурой до 950°С. Печи вновь введена в эксплуатацию в сентябре 2016 года на ПАО «Днепро-спецсталь».
Модернизация газовой термической печи №1 с выкатным подом кузнечно-прессового цеха
ПАО «Днепроспецсталь»
Печь с рабочим размером камеры 1800 х 5100 х 1200 мм, предназначена для нагрева металлических изделий из нержавеющей стали весом до 25 тонн с максимальной рабочей температурой до 1000°С. Печи вновь введена в эксплуатацию в мае 2016 года на ПАО «Днепро-спецсталь».
Модернизация газовой нагревательной печи №4 со стационарным подом кузнечно-прессового цеха
ПАО «Днепроспецсталь»
Печь с рабочим размером камеры 2800 х 3500 х 1200 мм, предназначена для нагрева металлических изделий весом до 22 тонн с максимальной рабочей температурой до 1300°С. Печи вновь введена в эксплуатацию в августе 2016 года на ПАО «Днепро-спецсталь».
Модернизация газовой термической печи №10 со стационарным подом термического цеха
ПАО «ДНЕПРОСПЕЦСТАЛЬ»
Печь с рабочим размером камеры 1800 х 6500 х 1000 мм, предназначена для термообработка металлических изделий весом до 25 тонн с максимальной рабочей температурой до 1000°С. Газовая печь ведена в эксплуатацию в начале 2016 года на ПАО «Днепроспец-сталь».
Модернизация газовых печей №2 и №5 со стационарным подом Кузнечного отделения механического цеха
ПАО «Запорожсталь»
Промышленные печи предназначены для нагрева металлических заготовок весом до 2,5 тонн под пластическую деформацию. Печи вновь введены в эксплуатацию в конце 2015 года на ПАО «Запорожсталь».
Печь электрическая
ТермоМастер® ДЗ-11.30.10/1100
Печь введена в эксплуатацию в 2015 году и предназначена для термообработки металлических изделий в среде не взрывоопасного защитного газа (азот) с максимальной рабочей температурой до 1100 °С.
Печь электрическая конвейерная
ТермоМастер® КО-15.80.1,5/900
Печь введена в эксплуатацию в 2014 году и предназначена для термообработки ответственных автомобильных деталей подвески грузовых автомобилей.
Автоматизированная линия производства тяжело-нагруженных пружин методом горячей навивки
Нагрев под оттяжку, нагрев под навивку, низкотемпературный отпуск. Предназначена для производства тяжело-нагруженых цилиндрических винтовых пружин из прутков длиной до 3000 мм
Камерная газовая печь с выкатным подом
ТермоГаз®-ДО-40.130.35/1100
Нагрев под нормализацию, высокий отпуск. Предназначена для термообработки металлических цистерн весом 25 тонн в температурном интервале 600°С…1100°С
Нагревательная газовая печь ТермоГаз®-НО-8.15.6/1300
Нагрев изделий из углеродистых и легированных сталей под ковку и штамповку в слабоокислительной среде.
Модернизация нагревательной камерной газовой печи №5
Нагрев заготовок под ковку.
Модернизация камерной газовой печи Bikly модель 5200 колпакового типа
Обжиг образивных изделей.
Проходная двухрядная газовая печь толкательного типа серии ТермоГаз®-ТО-25.108.6/950
Нагрев под закалку, закалка в воде и нагрев под нормализацию железнодорожного литья, в частности хомутов тяговых и корпусов автосцепок, а также мелкого и среднего литья из углеродистых и легированных сталей.
Модернизация нагревательных камерных газовых печей
Нагрев изделий перед ковкой и штамповкой.
Камерные печи со стационарным подом серии ТермоМастер®-НО-8.14.5/1100, ТермоМастер®-НО-8.14.5/700
Термическая обработка - закалка и отпуск.
Камерная газовая печь с выкатным подом серии ТермоГаз®-ДО-30.66.21/1100
Термическая обработка - низкий отпуск, высокий отпуск.
Нагрев под закалку, нагрев под нормализацию в температурном интервале до 1100 °C.
Модернизация газовой камерной печи с выкатным подом постройки 50...60 годов XX столетия
Термообработка стальных отливок, зубчатых колес, венцов, изделий в автоматическом режиме.
Камерная газовая печь с выкатным подом серии ТермоГаз®-ДО-40.100.20/1100
Отжиг, нормализация, нагрев под закалку, отпуск в температурном интервале от 200 °C до 1100 °C.
Модернизация термических газовых камерных печей №14 и №17
Нагрев под нормализацию, закалка, отпуск.